BK3二位三通球閥

產品名稱 |
BK3二位三通球閥 |
產品品牌 |
茸工 |
產品型號 |
BK3 |
產品口徑 |
1/8-2寸 |
產品壓力 |
31.5-50Mpa |
產品材質 |
45# |
產品應用 |
液壓系統 |
聯系人 |
陳經理 |
聯系手機 |
18017116690 |
公司名稱 |
上海茸工液壓設備制造有限公司 |
開戶銀行 |
中國農業銀行股份有限公司上海惠南支行 |
開戶賬號 |
03895800040081800 |
售后承諾 |
質保一年,質量三包:包修、包換、包退。 |
BK3二位三通球閥 型號說明:
2、連接代號:G**、**LR、**SR、PT**、NPT**
3、閥體材料:1-鋼
4、球體材料:1-鋼、2-黃銅
5、工作溫度:1. -25~+100℃、2. -30~+170℃
6、其他密封:2-丁晴橡膠、4-氟橡膠
7、手柄形式:01-鋁質直柄、02-鋁質曲柄、03-鑄鋅直柄、04-鑄鋅曲柄
05-鋼質直柄、06-鋼質曲柄、09-不帶手柄
8、設計序號:由生產商定
9、表面處理:空白-磷化、G-電鍍黃鋅
BK3二位三通球閥 圖形符號:
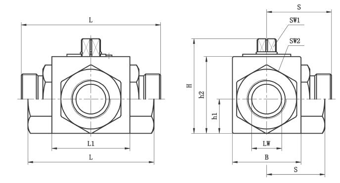
BK3二位三通球閥 外形尺寸:
BK3二位三通球閥 M螺紋尺寸圖:
| 簡略型號 | PN(bar) | DN | LW | RA | d1 | i | L | L1 | B | H | h1 | h2 | h3 | SW1 | SW2 | S |
| BK3-M16×1.5 | 500 | 06 | 06 | 11 | M16×1.5 | 11 | 69 | 40 | 26 | 45 | 13.5 | 33 | 8 | 09 | 22 | 27.5 |
| BK3-M22×1.5 | 500 | 08 | 08 | 16 | M22×1.5 | 12 | 76 | 42 | 32 | 49 | 16 | 36 | 10 | 09 | 27 | 33 |
| BK3-M27×1.5 | 500 | 10 | 10 | 20 | M27×1.5 | 12 | 76 | 42 | 32 | 49 | 16 | 36 | 10 | 09 | 27 | 33 |
| BK3-M30×1.5 | 400 | 16 | 15 | 24 | M30×1.5 | 13 | 84 | 48 | 38 | 61 | 19 | 45 | 11 | 09 | 32 | 37 |
| BK3-M36×2 | 315 | 20 | 20 | 30 | M36×2 | 15 | 103 | 60 | 48 | 70 | 25 | 55 | 11 | 12 | 41 | 45.5 |
| BK3-M42×2 | 315 | 25 | 23 | 35 | M42×2 | 18 | 116 | 65 | 57 | 79 | 28.5 | 64 | 11 | 12 | 50 | 54 |
| BK3-M52×2 | 315 | 32 | 32 | 40 | M52×2 | 20 | 149 | 84 | 75 | 101 | 37.5 | 84 | 12 | 14 | 60 | 70 |
| BK3-M60×2 | 315 | 40 | 38 | 45 | M60×2 | 22 | 174 | 91 | 85 | 112 | 42.5 | 95 | 12 | 14 | 70 | 84 |
BK3二位三通球閥 G螺紋尺寸圖:
| 簡略型號 | PN(bar) | DN | LW | RA | d1 | i | L | L1 | B | H | h1 | h2 | h3 | SW1 | SW2 | S |
| BK3-G1/8 | 500 | 04 | 06 | / | G1/8 | 10 | 69 | 40 | 26 | 45 | 13.5 | 33 | 8 | 09 | 22 | 35 |
| BK3-G1/4 | 500 | 06 | 06 | / | G1/4 | 14 | 69 | 40 | 26 | 45 | 13.5 | 33 | 8 | 09 | 22 | 35 |
| BK3-G3/8 | 500 | 10 | 10 | / | G3/8 | 14 | 72 | 42 | 32 | 49 | 16 | 36 | 10 | 09 | 27 | 36 |
| BK3-G1/2 | 500 | 13 | 12 | / | G1/2 | 16 | 83 | 48 | 35 | 49 | 17 | 40 | 10 | 09 | 30 | 40 |
| BK3-G1/2 | 400 | 16 | 15 | / | G1/2 | 16 | 83 | 48 | 38 | 61 | 19 | 45 | 11 | 09 | 32 | 42 |
| BK3-G3/4 | 315 | 20 | 20 | / | G3/4 | 18 | 95 | 60 | 48 | 70 | 25 | 55 | 11 | 12 | 41 | 49 |
| BK3-G1 | 315 | 25 | 25 | / | G1 | 21 | 113 | 65 | 57 | 79 | 28.5 | 64 | 11 | 12 | 50 | 56.5 |
| BK3-G 11/4 | 315 | 32 | 32 | / | G 11/4 | 22 | 110 | 84 | 75 | 101 | 37.5 | 84 | 12 | 14 | 60 | 62.5 |
| BK3-G 11/2 | 315 | 40 | 38 | / | G 11/2 | 24 | 130 | 91 | 85 | 112 | 42.5 | 95 | 12 | 14 | 70 | 61 |
| BK3-G2 | 315 | 50 | 48 | / | G2 | 26 | 140 | 100 | 105 | 131 | 52.5 | 112 | 12 | 14 | 80 | 62.5 |
BK3二位三通球閥 NPT螺紋尺寸圖:
| 簡略型號 | PN(bar) | DN | LW | RA | d1 | i | L | L1 | B | H | h1 | h2 | h3 | SW1 | SW2 | S |
| BK3-NPT1/8 | 500 | 04 | 06 | / | NPT1/8 | 10 | 69 | 40 | 26 | 45 | 13.5 | 33 | 8 | 09 | 22 | 35 |
| BK3-NPT1/4 | 500 | 06 | 06 | / | NPT1/4 | 14 | 69 | 40 | 26 | 45 | 13.5 | 33 | 8 | 09 | 22 | 35 |
| BK3-NPT3/8 | 500 | 10 | 10 | / | NPT3/8 | 14 | 72 | 42 | 32 | 49 | 16 | 36 | 10 | 09 | 27 | 36 |
| BK3-NPT1/2 | 500 | 13 | 12 | / | NPT1/2 | 16 | 83 | 48 | 35 | 49 | 17 | 40 | 10 | 09 | 30 | 40 |
| BK3-NPT1/2 | 400 | 16 | 15 | / | NPT1/2 | 16 | 83 | 48 | 38 | 61 | 19 | 45 | 11 | 09 | 32 | 42 |
| BK3-NPT3/4 | 315 | 20 | 20 | / | NPT3/4 | 18 | 95 | 60 | 48 | 70 | 25 | 55 | 11 | 12 | 41 | 49 |
| BK3-NPT1 | 315 | 25 | 25 | / | NPT1 | 21 | 113 | 65 | 57 | 79 | 28.5 | 64 | 11 | 12 | 50 | 56.5 |
| BK3-NPT 11/4 | 315 | 32 | 32 | / | NPT 11/4 | 22 | 110 | 84 | 75 | 101 | 37.5 | 84 | 12 | 14 | 60 | 62.5 |
| BK3-NPT 11/2 | 315 | 40 | 38 | / | NPT 11/2 | 24 | 130 | 91 | 85 | 112 | 42.5 | 95 | 12 | 14 | 70 | 61 |
| BK3-NPT2 | 315 | 50 | 48 | / | NPT2 | 26 | 140 | 100 | 105 | 131 | 52.5 | 112 | 12 | 14 | 80 | 62.5 |
BK3二位三通球閥 LR螺紋尺寸圖:
| 簡略型號 | PN(bar) | DN | LW | RA | d1 | i | L | L1 | B | H | h1 | h2 | h3 | SW1 | SW2 | S |
| BK3-06LR | 500 | 04 | 04 | 06 | M12×1.5 | 10 | 67 | 40 | 26 | 45 | 13.5 | 33 | 8 | 09 | 22 | 33.5 |
| BK3-08LR | 500 | 06 | 06 | 08 | M14×1.5 | 10 | 67 | 40 | 26 | 45 | 13.5 | 33 | 8 | 09 | 22 | 33.5 |
| BK3-10LR | 500 | 08 | 08 | 10 | M16×1.5 | 11 | 74 | 42 | 32 | 49 | 16 | 36 | 10 | 09 | 27 | 37 |
| BK3-12LR | 500 | 10 | 10 | 12 | M18×1.5 | 11 | 74 | 42 | 32 | 49 | 16 | 36 | 10 | 09 | 27 | 37 |
| BK3-15LR | 500 | 13 | 12 | 15 | M22×1.5 | 12 | 82 | 48 | 35 | 53 | 17 | 40 | 10 | 09 | 30 | 40 |
| BK3-15LR | 500 | 12 | 12 | 15 | M22×1.5 | 12 | 82 | 48 | 38 | 61 | 19 | 45 | 11 | 09 | 32 | 40 |
| BK3-18LR | 500 | 13 | 12 | 18 | M26×1.5 | 12 | 82 | 48 | 35 | 53 | 17 | 40 | 10 | 09 | 30 | 42 |
| BK3-18LR | 400 | 16 | 15 | 18 | M26×1.5 | 12 | 82 | 48 | 38 | 61 | 19 | 45 | 11 | 09 | 32 | 42 |
| BK3-22LR | 315 | 20 | 19 | 22 | M30×2 | 14 | 101 | 60 | 48 | 70 | 25 | 55 | 11 | 12 | 41 | 52 |
| BK3-28LR | 315 | 25 | 24 | 28 | M36×2 | 14 | 108 | 65 | 57 | 79 | 28.5 | 64 | 11 | 12 | 50 | 54 |
| BK3-35LR | 315 | 32 | 30 | 35 | M45×2 | 16 | 141 | 84 | 75 | 101 | 37.5 | 84 | 12 | 14 | 60 | 66 |
| BK3-42LR | 315 | 40 | 36 | 42 | M52×2 | 16 | 162 | 91 | 85 | 112 | 42.5 | 95 | 12 | 14 | 70 | 78 |
BK3二位三通球閥 SR螺紋尺寸圖:
| 簡略型號 | PN(bar) | DN | LW | RA | d1 | i | L | L1 | B | H | h1 | h2 | h3 | SW1 | SW2 | S |
| BK3-08SR | 500 | 04 | 05 | 08 | M16×1.5 | 12 | 73 | 40 | 26 | 45 | 13.5 | 33 | 8 | 09 | 22 | 37 |
| BK3-10SR | 500 | 06 | 06 | 10 | M18×1.5 | 12 | 73 | 40 | 26 | 45 | 13.5 | 33 | 8 | 09 | 22 | 37 |
| BK3-12SR | 500 | 08 | 08 | 12 | M20×1.5 | 12 | 76 | 42 | 32 | 49 | 16 | 36 | 10 | 09 | 27 | 38 |
| BK3-14SR | 500 | 10 | 10 | 14 | M22×1.5 | 14 | 80 | 42 | 32 | 49 | 16 | 36 | 10 | 09 | 27 | 40 |
| BK3-16SR | 500 | 13 | 12 | 16 | M24×1.5 | 14 | 86 | 48 | 35 | 53 | 17 | 40 | 10 | 09 | 30 | 44 |
| BK3-16SR | 500 | 12 | 12 | 16 | M24×1.5 | 14 | 86 | 48 | 38 | 61 | 19 | 45 | 11 | 09 | 32 | 43.5 |
| BK3-20SR | 500 | 13 | 12 | 20 | M30×2 | 16 | 90 | 48 | 35 | 53 | 17 | 40 | 10 | 09 | 30 | 44 |
| BK3-20SR | 400 | 16 | 15 | 20 | M30×2 | 16 | 90 | 48 | 38 | 61 | 19 | 45 | 11 | 09 | 32 | 45.5 |
| BK3-25SR | 315 | 20 | 20 | 25 | M36×2 | 18 | 109 | 60 | 48 | 70 | 25 | 55 | 11 | 12 | 41 | 56 |
| BK3-30SR | 315 | 25 | 25 | 30 | M42×2 | 20 | 120 | 65 | 57 | 79 | 28.5 | 64 | 11 | 12 | 50 | 60 |
| BK3-38SR | 315 | 32 | 30 | 38 | M52×2 | 22 | 153 | 84 | 75 | 101 | 37.5 | 84 | 12 | 14 | 60 | 72 |




KHB高壓球閥

公司客服一