KHBF法蘭式球閥

產品名稱 |
KHBF法蘭式球閥 |
產品品牌 |
茸工 |
產品型號 |
KHBF |
產品口徑 |
DN16-50 |
產品壓力 |
31.5Mpa |
產品材質 |
45# |
產品應用 |
液壓系統 |
聯系人 |
陳經理 |
聯系手機 |
18017116690 |
公司名稱 |
上海茸工液壓設備制造有限公司 |
開戶銀行 |
中國農業銀行股份有限公司上海惠南支行 |
開戶賬號 |
03895800040081800 |
售后承諾 |
質保一年,質量三包:包修、包換、包退。 |
KHBF法蘭式球閥 型號說明:
2、公稱通徑:16、20、25、32、40、50mm
3、壓力范圍:40、63、100、160、250、315 bar
4、閥體材料:1-鋼
5、球體材料:1-鋼
6、工作溫度:1. -25~+100 ℃、2. -30~+170 ℃
7、其他密封:2-丁晴橡膠
8、手柄形式:02-鋁質曲柄、06-鋼質曲柄、09-不帶手柄
9、設計序號:由生產商定
KHBF法蘭式球閥 圖形符號:
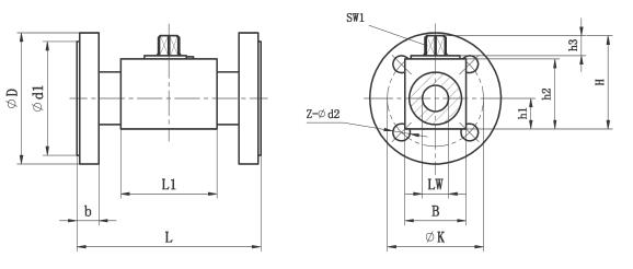
KHBF法蘭式球閥 DN16-25外形尺寸:
| 型號 | 壓力范圍 | DN | LW | L | L1 | D | d1 | d2 | K | B | b | H | h1 | h2 | h3 | SW1 | Z |
| KHBF-016 | 10-40 | 16 | 15 | 130 | 48 | 95 | 45 | 14 | 65 | 38 | 16 | 62 | 19 | 45 | 11 | 9 | 4 |
| KHBF-016 | 63-160 | 105 | 14 | 75 | 20 | ||||||||||||
| KHBF-016 | 250-315 | 130 | 18 | 90 | 26 | ||||||||||||
| KHBF-020 | 10-40 | 20 | 20 | 150 | 60 | 105 | 58 | 14 | 75 | 48 | 18 | 75 | 25 | 57 | 11 | 12 | 4 |
| KHBF-025 | 10-40 | 25 | 25 | 160 | 65 | 115 | 68 | 14 | 85 | 57 | 18 | 82 | 28.5 | 64 | 11 | 12 | 4 |
| KHBF-025 | 63-160 | 140 | 18 | 100 | 24 | ||||||||||||
| KHBF-025 | 250 | 150 | 22 | 105 | 28 | ||||||||||||
| KHBF-025 | 315 | 160 | 22 | 115 | 34 |
KHBF法蘭式球閥 DN32-50外形尺寸:
| 簡略型號 | 壓力范圍 | DN | LW | L | L1 | D | d1 | d2 | k | B | b | H | h1 | h2 | h3 | SW1 | Z |
| KHMF-032 | 10-40 | 32 | 30 | 180 | 84 | 140 | 78 | 18 | 100 | 75 | 18 | 103 | 37.5 | 84 | 12 | 14 | 4 |
| KHMF-032 | 63-160 | 155 | 22 | 110 | 26 | ||||||||||||
| KHMF-040 | 10-40 | 40 | 38 | 200 | 91 | 150 | 88 | 18 | 110 | 85 | 18 | 114 | 42.5 | 95 | 12 | 14 | 4 |
| KHMF-040 | 63-160 | 170 | 22 | 125 | 28 | ||||||||||||
| KHMF-040 | 250 | 185 | 26 | 135 | 34 | ||||||||||||
| KHMF-040 | 315 | 195 | 26 | 145 | 38 | ||||||||||||
| KHMF-050 | 10-40 | 50 | 48 | 230 | 100 | 165 | 102 | 18 | 125 | 105 | 20 | 131.5 | 52.5 | 112.5 | 12 | 14 | 4 |
| KHMF-050 | 63 | 180 | 22 | 135 | 26 | ||||||||||||
| KHMF-050 | 100-160 | 195 | 26 | 145 | 30 | ||||||||||||
| KHMF-050 | 250 | 200 | 26 | 150 | 38 | 8 | |||||||||||
| KHMF-050 | 315 | 210 | 26 | 160 | 42 |
KHBF法蘭式球閥 外形尺寸:
| 簡略型號 | 壓力范圍 | DN | LW | L | L1 | D | d1 | d2 | k | B | b | H | h1 | h2 | h3 | SW1 | Z |
| KHMF-032 | 10-40 | 32 | 30 | 130 | 84 | 140 | 78 | 18 | 100 | 75 | 18 | 103 | 37.5 | 84 | 12 | 17 | 4 |
| KHMF-040 | 40 | 38 | 140 | 91 | 150 | 88 | 110 | 85 | 18 | 114 | 42.5 | 95 | |||||
| KHMF-050 | 50 | 48 | 150 | 100 | 165 | 102 | 125 | 105 | 20 | 131.5 | 52.5 | 112.5 |




KHB高壓球閥

公司客服一