PKH板式高壓球閥

產品名稱 |
PKH板式高壓球閥 |
產品品牌 |
茸工 |
產品型號 |
PKH |
產品口徑 |
DN6-50 |
產品壓力 |
31.5Mpa |
產品材質 |
45# |
產品應用 |
液壓系統 |
聯系人 |
陳經理 |
聯系手機 |
18017116690 |
公司名稱 |
上海茸工液壓設備制造有限公司 |
開戶銀行 |
中國農業銀行股份有限公司上海惠南支行 |
開戶賬號 |
03895800040081800 |
售后承諾 |
質保一年,質量三包:包修、包換、包退。 |
PKH板式高壓球閥 型號說明:
2、公稱通徑:6、10、16、20、25、32、40、50mm
3、閥體材料:1-鋼
4、球體材料:1-鋼、2-黃銅
5、工作溫度:1. -25~+100 ℃、2. -30~+170 ℃
6、其他密封:2-丁晴橡膠、4-氟橡膠
7、手柄形式:02-鋁質曲柄、04-鑄鋅曲柄、06-鋼質曲柄、09-不帶手柄
8、設計序號:由生產商定
PKH板式高壓球閥 圖形符號:
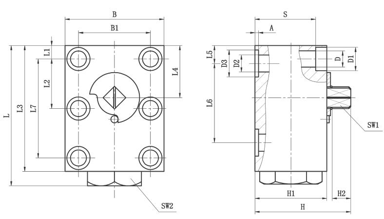
PKH板式高壓球閥 外形尺寸:
| 簡略型號 | DN | LW | L | L1 | L2 | L3 | L4 | L5 | L6 | L7 | B | B1 |
| KHP-06 | 06 | 06 | 64 | 8.5 | 17.5 | 59 | 25 | 8.5 | 35 | 35 | 40 | 27 |
| KHP-10 | 10 | 9.5 | 77 | 7.5 | 27.5 | 70 | 29 | 10 | 44 | 55 | 55 | 40 |
| KHP-16 | 16 | 16 | 110 | 8.5 | 41.5 | 100 | 43 | 17 | 58 | 83 | 60 | 45 |
| KHP-20 | 20 | 20 | 126 | 10 | 48.5 | 117 | 54 | 20 | 69 | 97 | 70 | 51 |
| KHP-25 | 25 | 23.5 | 145 | 10 | 57.5 | 135 | 64.5 | 24 | 81 | 115 | 80 | 60 |
| KHP-32 | 32 | 30 | 177 | 12 | 68 | 165 | 75.5 | 29 | 96 | 136 | 100 | 78 |
| KHP-40 | 40 | 38 | 200 | 30 | 56 | 185 | 80 | 30 | 112 | 112 | 130 | 95 |
| KHP-50 | 50 | 48 | 245 | 38 | 68 | 220 | 106 | 38 | 136 | 136 | 149 | 112 |
PKH板式高壓球閥 O型圈參數:
| 簡略型號 | SW1 | SW2 | H | H1 | H2 | D | D1 | D2 | D3 | A | S | O 形圈 |
| KHP-06 | 09 | 22 | 37.5 | 30 | 7 | 6.6 | 11 | 6 | 11.7 | 1.6 | 23 | 8×2 |
| KHP-10 | 09 | 30 | 58 | 40 | 8.5 | 9 | 13 | 9.5 | 15 | 2 | 31 | 10×2.6 |
| KHP-16 | 09 | 41 | 72.5 | 52 | 11 | 9 | 13 | 16 | 25 | 2 | 43 | 20.29×2.62 |
| KHP-20 | 12 | 41 | 88.5 | 60 | 11 | 10.5 | 16.5 | 20 | 30 | 2.5 | 50 | 23.39×3.53 |
| KHP-25 | 12 | 46 | 97.5 | 65 | 11 | 10.5 | 17 | 23.5 | 35 | 2.5 | 55 | 28.17×3.53 |
| KHP-32 | 14 | 55 | 118.5 | 80 | 12 | 13 | 19 | 30 | 40 | 2.5 | 67 | 32.92×3.53 |
| KHP-40 | 14 | 65 | 118.5 | 93 | 12 | 17 | 25 | 38 | 48 | 3 | 77 | 42×3.5 |
| KHP-50 | 14 | / | 129 | 110 | 12 | 22 | 33 | 48 | 55.4 | 2.9 | 88.5 | 49×3.5 |
板式高壓球閥 內六角螺栓及扭距參數:
| 簡略型號 | 內六角螺栓DIN912 | 扭距 Nm(摩擦系數μ=0.14時) |
| KHP-06 | M6-10.9 | 13 |
| KHP-10 | M8-10.9 | 30 |
| KHP-16 | M8-12.9 | 35 |
| KHP-20 | M8-12.9 | 60 |
| KHP-25 | M10-12.9 | 60 |
| KHP-32 | M12-12.9 | 110 |
| KHP-40 | M16-12.9 | 300 |
| KHP-50 | M20-12.9 | 600 |




KHB高壓球閥

公司客服一