公稱壓力:32Mpa
公稱通徑:6mm
額定流量:25L/min
適用介質:液壓油
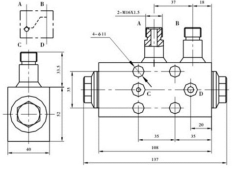
QY16A-6429-1型單向液壓鎖 結構尺寸:
QY16A-6429-1型單向液壓鎖 訂貨說明:
1.產品選型:如有指定型號標準,請直撥銷售熱線咨詢價格,了解詳情!
2.技術支持:如沒有指定產品型號規格,請把工況要求、設計圖紙、技術規范,發送傳真或郵件至本公司。
3.質量標準:質量要求、質量標準、供方對質量負責的條件按國家有關質量標準。
4.報價確認:本公司提供報價清單及技術標準說明至客戶確認,在雙方技術各方面確認后再擬定合同。
5.參數說明:請提供通徑(DN),公稱壓力(Mpa),公稱流量(L/min),連接方式(M螺紋、NPT螺紋、G螺紋等),驅動方式。
液壓閥是一種用壓力油操作的自動化元件,它受配壓閥壓力油的控制,通常與電磁配壓閥組合使用,可用于遠距離控制水電站油、氣、水管路系統的通斷。
按控制方法分類:手動,電控,液控
按功能分類:
流量閥(節流閥、調速閥,分流集流閥)、壓力閥(溢流閥,減壓閥,順序閥,卸荷閥)、方向閥(電磁換向閥、手動換向閥、單向閥、液控單向閥)
按安裝方式分類:
板式閥,管式閥,疊加閥,螺紋插裝閥,蓋板閥
按操縱方式分類:
手動閥,機動閥,電動閥,液動閥,電液動閥等。
液壓閥方向控制:
按用途分為單向閥和換向閥。單向閥:只允許流體在管道中單向接通,反向即切斷。換向閥:改變不同管路間的通、斷關系。根據閥芯在閥體中的工作位置數分兩位、三位等;根據所控制的通道數分兩通、三通、四通、五通等;根據閥芯驅動方式分手動,機動,電動,液動等。圖2為三位四通換向閥的工作原理。P 為供油口,O 為回油口,A 、B 是通向執行元件的輸出口。當閥芯處於中位時,全部油口切斷,執行元件不動;當閥芯移到右位時,P 與A 通,B 與O 通;當閥芯移到左位時,P 與B 通,A 與O 通。這樣,執行元件就能作正、反向運動。
60年代后期,在上述幾種液壓控制閥的基礎上又研制出電液比例控制閥。它的輸出量(壓力、流量)能隨輸入的電信號連續變化。電液比例控制閥按作用不同,相應地分為電液比例壓力控制閥﹑電液比例流量控制閥和電液比例方向控制閥等。
液壓閥流量控制:
利用調節閥芯和閥體間的節流口面積和它所產生的局部阻力對流量進行調節,從而控制執行元件的運動速度。流量控制閥按用途分為 5種。
⑴節流閥:在調定節流口面積后,能使載荷壓力變化不大和運動均勻性要求不高的執行元件的運動速度基本上保持穩定。
⑵調速閥:在載荷壓力變化時能保持節流閥的進出口壓差為定值。這樣,在節流口面積調定以后,不論載荷壓力如何變化,調速閥都能保持通過節流閥的流量不變,從而使執行元件的運動速度穩定。
⑶分流閥:不論載荷大小,能使同一油源的兩個執行元件得到相等流量的為等量分流閥或同步閥;得到按比例分配流量的為比例分流閥。
⑷集流閥:作用與分流閥相反,使流入集流閥的流量按比例分配。
⑸分流集流閥:兼具分流閥和集流閥兩種功能。
液壓閥壓力控制:
按用途分為溢流閥﹑減壓閥和順序閥。
⑴溢流閥:能控制液壓系統在達到調定壓力時保持恒定狀態。用於過載保護的溢流閥稱為安全閥。當系統發生故障,壓力升高到可能造成破壞的限定值時,閥口會打開而溢流,以保證系統的安全。
⑵減壓閥:能控制分支回路得到比主回路油壓低的穩定壓力。減壓閥按它所控制的壓力功能不同,又可分為定值減壓閥(輸出壓力為恒定值)﹑定差減壓閥(輸入與輸出壓力差為定值)和定比減壓閥(輸入與輸出壓力間保持一定的比例)。
⑶順序閥:能使一個執行元件(如液壓缸﹑液壓馬達等)動作以后,再按順序使其他執行元件動作。油泵產生的壓力先推動液壓缸1運動,同時通過順序閥的進油口作用在面積A 上,當液壓缸1運動完全成后,壓力升高,作用在面積A 的向上推力大於彈簧的調定值后,閥芯上升使進油口與出油口相通,使液壓缸2運動。
液壓閥優點:
1)動作靈活,作用可靠,工作時沖擊和振動小,噪聲小,使用壽命長。
2)流體通過液壓閥時,壓力損失�。婚y口關閉時,密封性能好,內泄漏小,無外泄漏。
3)所控制的參量(壓力或流量)穩定,受外部干擾時變化量小。
4)結構緊湊,安裝、調試、使用、維護方便,通用性好。