5SDN20/10-21整體式下車多路閥

產品名稱 |
5SDN20/10-21整體式下車多路閥 |
產品品牌 |
茸工 |
產品型號 |
5SDN20/10-21 |
產品口徑 |
120-63 L/min |
產品壓力 |
21MPa |
產品材質 |
45# |
產品應用 |
換向系統 |
聯系人 |
陳經理 |
聯系手機 |
18017116690 |
公司名稱 |
上海茸工液壓設備制造有限公司 |
開戶銀行 |
中國農業銀行股份有限公司上海惠南支行 |
開戶賬號 |
03895800040081800 |
售后承諾 |
質保一年,質量三包:包修、包換、包退。 |
5SDN20/10-21整體式下車多路閥技術參數:
額定壓力/Rated Pressure:21MPa額定流量/Rated Flow:
(P→V)120 L/min
(P→C)63 L/min
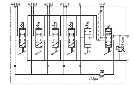
>5SDN20/10-21整體式下車多路閥 液壓原理圖:
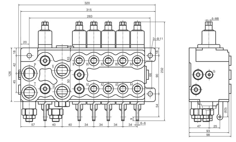
5SDN20/10-21整體式下車多路閥 外形尺寸:




23SHX-06型二位三通手動換向閥

公司客服一