蓄能器卡箍

產品名稱 |
蓄能器卡箍 |
產品品牌 |
茸工 |
產品型號 |
NX-KG |
產品口徑 |
89-426 |
產品壓力 |
普通 |
產品材質 |
普通 |
產品應用 |
儲能系統 |
聯系人 |
陳經理 |
聯系手機 |
18017116690 |
公司名稱 |
上海茸工液壓設備制造有限公司 |
開戶銀行 |
中國農業銀行股份有限公司上海惠南支行 |
開戶賬號 |
03895800040081800 |
售后承諾 |
質保一年,質量三包:包修、包換、包退。 |
蓄能器卡箍 產品概述:
卡箍是專用于固定蓄能器而設計的專業裝置。具體結構緊湊,連接結構緊湊,連接靈活,外形美觀等特點。蓄能器卡箍 型號說明:
NX-KG /Φ※① ②
① 名稱代號:蓄能器卡箍
② 蓄能器外徑:Φ89~Φ426
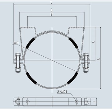
蓄能器卡箍 技術參數:
| 型號 | A | B | C | ΦD | ΦD1 | E | F | L | 配用蓄能器型號 | 重量 (Kg) |
| NX-KG/Φ89 | 112 | 76 | 110 | Φ89 | Φ9 | 62.5 | 20 | 150 | NXQ-0.4L~0.63L | 0.3 |
| NX-KG/Φ114 | 137 | 100 | 138 | Φ114 | Φ9 | 75 | 20 | 176 | NXQ-1L | 0.4 |
| NX-KG/Φ152 | 177 | 126 | 186 | Φ152 | Φ11 | 96 | 20 | 212 | NXQ-1.6~6.3L | 0.5 |
| NX-KG/Φ219 | 248 | 196 | 260 | Φ219 | Φ13 | 133 | 30 | 306 | NXQ-10L~40L | 1.1 |
| NX-KG/Φ299 | 328 | 276 | 350 | Φ299 | Φ13 | 173 | 30 | 385 | NXQ-20L~100L | 1.5 |
| NX-KG/Φ351 | 396 | 330 | 405 | Φ351 | Φ15 | 212 | 35 | 442 | NXQ-63L~160L |
|
| NX-KG/Φ426 | 456 | 403 | 478 | Φ426 | Φ15 | 237 | 40 | 518 | NXQ-100L~250L |
蓄能器 卡箍訂貨說明:
1.訂貨時須寫明型號代號全稱,如:蓄能器公稱容積25L,直徑為Φ299卡箍:NX-KG/Φ299.(已包括橡膠墊)2.若對卡箍還有特殊要求時,請向本企業商洽。
3.本企業保留設計更改權,對修改不另行通知。






充氣工具

公司客服一