蓄能器托架

產品名稱 |
蓄能器托架 |
產品品牌 |
茸工 |
產品型號 |
NX-TJ |
產品口徑 |
89-426 |
產品壓力 |
普通 |
產品材質 |
普通 |
產品應用 |
儲能系統 |
聯系人 |
陳經理 |
聯系手機 |
18017116690 |
公司名稱 |
上海茸工液壓設備制造有限公司 |
開戶銀行 |
中國農業銀行股份有限公司上海惠南支行 |
開戶賬號 |
03895800040081800 |
售后承諾 |
質保一年,質量三包:包修、包換、包退。 |
蓄能器托架 型號說明:
NX-TJ /Φ※① ②
① 名稱代號:蓄能器托架
② 蓄能器外徑:Φ89~Φ426
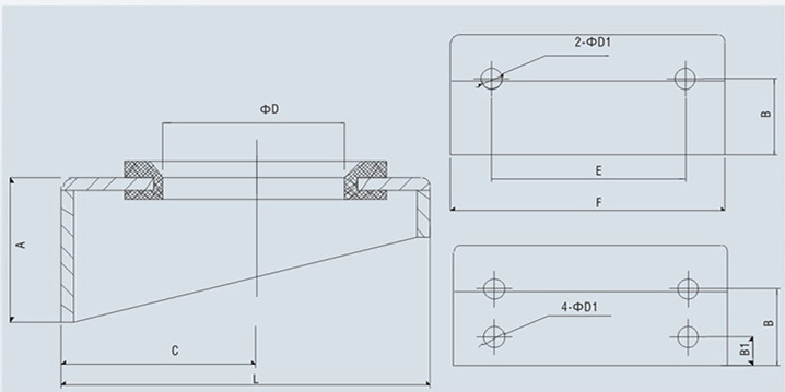
蓄能器托架 技術參數:
| 型號 | A | B | C | ΦD | Φ;D1 | E | F | B1 | L | 配用蓄能器型號 |
重量 (Kg) |
| NX-TJ/Φ89 | 45 | 23 | 62.5 | Φ60 | 2-Φ9 | 60 | 98 | / | 112 | NXQ-0.4L~0.63L | 0.8 |
| NX-TJ/Φ114 | 50 | 28 | 75 | Φ60 | 2-Φ9 | 70 | 126 | / | 138 | NXQ-1L | 1 |
| NX-TJ/Φ152 | 65 | 35 | 96 | Φ88 | 2-Φ13 | 113 | 162 | / | 178 | NXQ-1.6~6.3L | 2 |
| NX-TJ/Φ219 | 100 | 62 | 133 | Φ125 | 4-Φ;17 | 160 | 226 | 22 | 252 | NXQ-10L~40L | 7 |
| NX-TJ/Φ299 | 100 | 62 | 173 | Φ140 | 4-Φ17 | 200 | 306 | 22 | 332 | NXQ-20L~100L | 12 |
| NX-TJ/Φ351 | 120 | 70 | 212 | Φ170 | 4-Φ17 | 280 | 360 | 30 | 412 | NXQ-63L~160L | 20 |
| NX-TJ/Φ426 | 120 | 70 | 237 | Φ200 | 4-Φ17 | 300 | 435 | 30 | 462 | NXQ-100L~250L | 24 |
蓄能器 托架訂貨說明:
① 訂貨時須寫明型號代號全稱,如:蓄能器公稱容積25L,直徑為Φ299托架:NX-TJ/Φ299.(已包括橡膠墊)② 若對托架還有特殊要求時,請向本企業商洽。
③ 本企業保留設計更改權,對修改不另行通知。






充氣工具

公司客服一