2LQF1W型冷卻器

產品名稱 |
2LQF1W型冷卻器 |
產品品牌 |
茸工 |
產品型號 |
2LQF1W |
產品口徑 |
19-299F |
產品壓力 |
1.6Mpa |
產品材質 |
碳鋼,不銹鋼 |
產品應用 |
冷卻系統 |
聯系人 |
陳經理 |
聯系手機 |
18017116690 |
公司名稱 |
上海茸工液壓設備制造有限公司 |
開戶銀行 |
中國農業銀行股份有限公司上海惠南支行 |
開戶賬號 |
03895800040081800 |
售后承諾 |
質保一年,質量三包:包修、包換、包退。 |
2LQF1W型冷卻器 工作原理:
列管式冷卻器的熱介質是由筒體上的接管進口,順序經各折流通道,曲折地流至接管出口。而冷卻介質則采用雙管程流動,即冷卻介質由進水口經分水蓋進入一半冷卻管之后,再從回水蓋流入另一半冷卻管進入另一側分水蓋及出水管。冷卻器介質在雙管程流過程中,吸收熱介質放出的余熱由出水口排出,使工作介質保持額定的工作溫度。2LQF1W型冷卻器 型號說明:
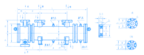
2LQF1W型冷卻器 示意圖:
| 型號 | 10/19F | 10/25F | 10-29F | 10/36F | 10/45F | 10/55F | 10/68F | 10/77F | 10/100F | 10/135F | 10/176F | 10/244F | 10/299F |
| A | 2690 | 2690 | 2670 | 2640 | 2670 | 2590 | 2590 | 2590 | 2690 | 2620 | 4700 | 4800 | 5800 |
| C | 360 | 415 | 445 | 495 | 550 | 600 | 655 | 705 | 805 | 905 | 805 | 908 | 908 |
| D1 | 280 | 280 | 280 | 280 | 280 | 335 | 335 | 405 | 405 | 405 | 405 | 405 | 405 |
| D2 | 190 | 190 | 215 | 215 | 280 | 280 | 280 | 280 | 335 | 335 | 335 | 335 | 335 |
| D3 | 240 | 240 | 240 | 240 | 240 | 295 | 295 | 355 | 355 | 355 | 355 | 355 | 355 |
| D4 | 160 | 160 | 185 | 195 | 240 | 240 | 240 | 240 | 295 | 295 | 295 | 295 | 295 |
| Dg | 273 | 325 | 351 | 402 | 450 | 500 | 560 | 600 | 700 | 800 | 705 | 810 | 810 |
| d2 | 80 | 80 | 100 | 100 | 150 | 150 | 150 | 150 | 200 | 200 | 200 | 200 | 200 |
| d3 | 8-ф23 | 8-ф23 | 8-ф23 | 8-ф23 | 8-ф23 | 12-ф23 | 12-ф23 | 12-ф23 | 12-ф25 | 12-ф25 | 12-ф25 | 12-ф25 | 12-ф25 |
| d4 | 8-ф18 | 8-ф18 | 8-ф18 | 8-ф18 | 8-ф23 | 8-ф23 | 8-ф23 | 8-ф23 | 8-ф23 | 8-ф23 | 8-ф23 | 8-ф23 | 8-ф23 |
| d5 | 4孔16×22 | 4孔16×32 | 4孔16×32 | 4孔19×32 | 4孔19×32 | 4孔19×32 | 4孔19×32 | 4孔19×22 | 4-ф22 | 4-ф22 | 4-ф22 | 4-ф22 | 4-ф22 |
| F1 | 200 | 200 | 250 | 270 | 300 | 325 | 325 | 400 | 435 | 435 | 430 | 480 | 480 |
| G | 240 | 240 | 280 | 285 | 310 | 345 | 345 | 355 | 360 | 375 | 425 | 450 | 450 |
| H | 190 | 216 | 268 | 292 | 305 | 330 | 300 | 380 | 432 | 482 | 435 | 485 | 485 |
| H1 | 248 | 280 | 298 | 324 | 350 | 375 | 375 | 432 | 490 | 540 | 489 | 540 | 540 |
| h | 10 | 10 | 10 | 10 | 10 | 14 | 14 | 14 | 14 | 14 | 14 | 14 | 14 |
| L | 3460 | 3470 | 3510 | 3520 | 3580 | 3630 | 3640 | 3655 | 3770 | 3770 | 5709 | 6022 | 7059 |
| M | 140 | 145 | 160 | 165 | 190 | 195 | 200 | 205 | 255 | 255 | 201 | 611 | 611 |
| P | 290 | 292 | 310 | 320 | 345 | 385 | 390 | 395 | 475 | 475 | 381 | 404 | 404 |
| T | 2690 | 2690 | 2690 | 2680 | 2680 | 2615 | 2600 | 2595 | 2510 | 2510 | 4705 | 4993 | 5905 |
| U | 60 | 60 | 85 | 85 | 85 | 100 | 100 | 100 | 100 | 125 | 125 | 125 | 125 |
| V | 35 | 35 | 50 | 50 | 50 | 70 | 70 | 70 | 100 | 100 | 100 | 100 | 100 |
2LQF1W型冷卻器 水垢的清洗:
1、物理清洗辦法:固定管板式的可以用水泵刷子沖洗,如果是抽芯式即浮頭式的即可把管束抽出來沖洗;2、化學清洗:方法當積垢由疏松變為致密、硬質后,采用機械 清洗方法己達不到清垢目的,此時宜采用酸洗的方法。鹽酸不用預熱就能容易地溶解碳酸鈣和碳酸鎂水垢,因此酸洗液一般為常溫鹽酸溶液。酸洗雖然能很好的疏松水垢和恢復冷卻器表面的正常狀態,但鹽酸對冷卻銅管有腐蝕作用。為了保護冷卻器管壁不受鹽酸的侵蝕,在酸洗液內必須加入添加劑,即強烈地遲滯金屬溶解過程的物質。我們選用的添加劑為苯駢三氮唑,即BC-801水穩定劑,使用濃度為3%左右。根據經驗,若能夠按時進行機械清洗,酸洗可2a--3a進行1次;反之,需每年進行1次酸洗。
【使用注意】
冷卻器投用后,操作人員應定期對換熱器進行巡回檢查,判斷其是否運行正常。
(1)檢查工藝參數,嚴禁超溫、超壓運行。
(2)檢查隔槽、大鍋、接口法蘭有無泄漏。
(3)檢查基礎支座的穩固情況。
(4)檢查冷卻器及管線的振動情況。
(5)定時查看油品顏色及換熱后的溫度變化。
(6)冷卻器投用時,應打開冷卻線上放空閥排氣,見水后關閉,防止氣阻影響冷卻效果。
(7)冷卻器停運掃線時,停冷卻水,同時打開冷卻水放空閥,避免憋壓損壞設備。
(8)調節油品冷后溫度時,應先冷卻水出口閥控制。因為采用入口閥控制水量,雖然可以節約冷水,但是會引起冷卻器內水流短路或流速減慢,造成上熱下涼,影響換熱效果。故不宜用入口控制。
【排除故障】
1、冷卻液不足:添加冷卻液
2、散熱器散熱片阻塞:尋找解決阻塞的原因,清洗散熱器
3、散熱器通風不暢:按安裝要求增大通風有效面積,確保通風暢通
4、冷卻液風扇運行不正常:檢查風扇皮帶緊張度,必要時更換皮帶
5、風扇損壞:檢修或更換
6、水泵損壞:檢修或更換
7、節溫器故障:更換
8、噴油泵故障:請授權人員檢修或更換
9、供油定時不正確:查看噴油泵數據并請授權人員檢修調整
10、環境(進氣)溫度過高:保持機房通風合理降低機房溫度
11、機組過載嚴重:控制負載,禁止機組長時間超載運行
12、冷卻液報警開關(傳感器)或儀表故障:檢查控制屏,儀表,機體傳感器,修理或更換,排除故障。












GL系列冷卻器

公司客服一