LQG船用冷卻器

產品名稱 |
LQG船用冷卻器 |
產品品牌 |
茸工 |
產品型號 |
LQG |
產品口徑 |
1-260M2 |
產品壓力 |
1.6Mpa |
產品材質 |
碳鋼,不銹鋼 |
產品應用 |
冷卻系統 |
聯系人 |
陳經理 |
聯系手機 |
18017116690 |
公司名稱 |
上海茸工液壓設備制造有限公司 |
開戶銀行 |
中國農業銀行股份有限公司上海惠南支行 |
開戶賬號 |
03895800040081800 |
售后承諾 |
質保一年,質量三包:包修、包換、包退。 |
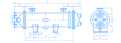
LQG船用冷卻器 工作原理:
LQG系列滑油、淡水冷卻主要用于船用柴油機油滑或船用循環淡水的冷卻,結構為殼體膨脹臥式,管板采用不著HSN62-1或復合板,換熱管采用HAL77-2或B10等耐海水腐蝕材料。LQG船用冷卻器 示意圖:
| 型號 | 冷卻面積 | 接管通徑 | A | B | C | D | E | F | G | H | I | J | K | L | M | N | O | P | |
| 管側 | 殼側 | ||||||||||||||||||
| LQG1-200/2 | 1 | 40 | 32 | 1106 | 110 | 100 | 160 | 121 | 80 | 150 | 500 | 850 | 150 | 150 | 100 | 150 | 60 | 30 | 4-M16 |
| LQG2-200/2 | 2 |
50
|
40 | 1106 | 110 | 100 | 160 | 121 | 75 | 150 | 500 | 850 | 150 | 150 | 100 | 150 | 60 | 30 | 4-M16 |
| LQG3-200/2 | 3 | 50 | 40 | 1406 | 110 | 100 | 160 | 121 | 75 | 150 | 800 | 1150 | 150 | 150 | 100 | 150 | 60 | 30 | 4-M16 |
| LQG5-350/2 | 5 | 65 | 50 | 1521 | 120 | 110 | 170 | 131 | 92.5 | 150 | 850 | 1245 | 175 | 180 | 150 | 200 | 60 | 30 | 4-M16 |
| LQG8-350/2 | 8 | 65 | 50 | 1187 | 140 | 130 | 200 | 136 | 142.5 | 150 | 500 | 875 | 250 | 260 | 230 | 280 | 60 | 30 | 4-M16 |
| LQG10-350/2 | 10 | 80 | 65 | 1406 | 140 | 130 | 200 | 136 | 135 | 150 | 650 | 1094 | 250 | 260 | 230 | 300 | 60 | 30 | 4-M16 |
| LQG15-400/2 | 15 | 100 | 80 | 1553 | 210 | 140 | 220 | 167 | 150 | 200 | 750 | 1140 | 250 | 290 | 250 | 300 | 60 | 30 | 4-M20 |
| LQG20-400/2 | 20 | 125 | 100 | 1933 | 210 | 140 | 220 | 167 | 137.5 | 200 | 1000 | 1520 | 280 | 290 | 250 | 300 | 60 | 30 | 4-M20 |
| LQG25-400/2 | 25 | 125 | 100 | 2333 | 210 | 140 | 220 | 167 | 137.5 | 200 | 1200 | 1900 | 280 | 290 | 250 | 300 | 60 | 30 | 4-M20 |
| LQG30-400/2 | 30 | 125 | 100 | 2693 | 210 | 140 | 220 | 167 | 137.5 | 200 | 1600 | 2280 | 280 | 290 | 250 | 300 | 60 | 30 | 4-M20 |
| LQG35-450/2 | 35 | 125 | 100 | 2539 | 250 | 140 | 240 | 192 | 137.5 | 200 | 1400 | 2061 | 280 | 290 | 250 | 300 | 60 | 30 | 4-M20 |
| LQG40-550/2 | 40 | 125 | 100 | 2124 | 280 | 185 | 270 | 227 | 212.5 | 200 | 1050 | 1579 | 410 | 420 | 380 | 480 | 60 | 40 | 4-M20 |
| LQG45-500/2 | 45 | 125 | 100 | 2605 | 260 | 170 | 250 | 197 | 187.5 | 250 | 1150 | 2112 | 340 | 350 | 320 | 420 | 75 | 45 | 4-M22 |
| LQG50-650/2 | 50 | 150 | 150 | 1945 | 300 | 235 | 360 | 249 | 250 | 250 | 800 | 1352 | 470 | 480 | 420 | 560 | 75 | 45 | 4-M22 |
| LQG60-650/2 | 60 | 150 | 150 | 2215 | 300 | 235 | 360 | 249 | 250 | 250 | 1100 | 1622 | 470 | 480 | 420 | 560 | 75 | 45 | 4-M24 |
| LQG70-700/2 | 70 | 200 | 200 | 2280 | 300 | 235 | 360 | 280 | 250 | 250 | 950 | 1620 | 500 | 510 | 480 | 600 | 75 | 45 | 4-M24 |
| LQG80-600/2 | 80 | 150 | 125 | 3160 | 300 | 210 | 335 | 242 | 225 | 300 | 1800 | 2576 | 440 | 400 | 400 | 520 | 60 | 40 | 4-M22 |
| LQG90-700/2 | 90 | 200 | 200 | 2743 | 300 | 235 | 360 | 280 | 250 | 250 | 1400 | 2083 | 500 | 510 | 480 | 600 | 75 | 45 | 4-M24 |
| LQG100-700/2 | 100 | 200 | 200 | 2975 | 300 | 235 | 360 | 280 | 250 | 200 | 1600 | 2315 | 500 | 510 | 480 | 600 | 75 | 45 | 4-M24 |
| LQG110-700/2 | 110 | 200 | 200 | 3205 | 300 | 235 | 385 | 280 | 200 | 300 | 1650 | 2545 | 500 | 510 | 480 | 600 | 75 | 45 | 4-M24 |
| LQG120-700/2 | 120 | 200 | 200 | 3123 | 360 | 240 | 360 | 300 | 300 | 300 | 1600 | 2413 | 440 | 540 | 520 | 640 | 75 | 45 | 4-M24 |
| LQG130-700/2 | 130 | 200 | 200 | 3670 | 300 | 235 | 360 | 280 | 300 | 400 | 2100 | 3010 | 500 | 510 | 480 | 600 | 75 | 45 | 4-M24 |
| LQG140-700/2 | 140 | 200 | 200 | 3900 | 300 | 235 | 360 | 280 | 250 | 400 | 2250 | 3240 | 500 | 510 | 480 | 600 | 75 | 45 | 4-M24 |
| LQG150-700/2 | 150 | 200 | 250 | 4130 | 300 | 235 | 360 | 280 | 225 | 400 | 2500 | 3470 | 500 | 510 | 480 | 600 | 75 | 45 | 4-M24 |
| LQG160-750/2 | 160 | 200 | 200 | 3930 | 330 | 240 | 385 | 300 | 275 | 400 | 2300 | 3220 | 530 | 540 | 520 | 640 | 75 | 45 | 4-M24 |
| LQG180-750/2 | 180 | 250 | 200 | 4330 | 330 | 240 | 385 | 300 | 250 | 400 | 2600 | 3620 | 530 | 540 | 520 | 640 | 75 | 45 | 4-M24 |
| LQG200-750/2 | 200 | 250 | 250 | 4730 | 330 | 240 | 385 | 300 | 250 | 400 | 3000 | 4020 | 530 | 540 | 520 | 640 | 75 | 45 | 4-M24 |
| LQG220-800/2 | 220 | 250 | 250 | 4569 | 360 | 265 | 410 | 300 | 275 | 500 | 2600 | 3855 | 560 | 570 | 580 | 700 | 85 | 55 | 4-M24 |
| LQG240-800/2 | 240 | 300 | 300 | 4919 | 360 | 265 | 410 | 300 | 250 | 500 | 2950 | 4205 | 560 | 570 | 580 | 700 | 85 | 55 | 4-M24 |
| LQG260-800/2 | 260 | 300 | 300 | 5269 | 360 | 265 | 410 | 300 | 250 | 500 | 3300 | 4555 | 560 | 570 | 580 | 700 | 85 | 55 | 4-M24 |
LQG船用冷卻器 水垢的清洗:
1、物理清洗辦法:固定管板式的可以用水泵刷子沖洗,如果是抽芯式即浮頭式的即可把管束抽出來沖洗;2、化學清洗:方法當積垢由疏松變為致密、硬質后,采用機械 清洗方法己達不到清垢目的,此時宜采用酸洗的方法。鹽酸不用預熱就能容易地溶解碳酸鈣和碳酸鎂水垢,因此酸洗液一般為常溫鹽酸溶液。酸洗雖然能很好的疏松水垢和恢復冷卻器表面的正常狀態,但鹽酸對冷卻銅管有腐蝕作用。為了保護冷卻器管壁不受鹽酸的侵蝕,在酸洗液內必須加入添加劑,即強烈地遲滯金屬溶解過程的物質。我們選用的添加劑為苯駢三氮唑,即BC-801水穩定劑,使用濃度為3%左右。根據經驗,若能夠按時進行機械清洗,酸洗可2a--3a進行1次;反之,需每年進行1次酸洗。
【使用注意】
冷卻器投用后,操作人員應定期對換熱器進行巡回檢查,判斷其是否運行正常。
(1)檢查工藝參數,嚴禁超溫、超壓運行。
(2)檢查隔槽、大鍋、接口法蘭有無泄漏。
(3)檢查基礎支座的穩固情況。
(4)檢查冷卻器及管線的振動情況。
(5)定時查看油品顏色及換熱后的溫度變化。
(6)冷卻器投用時,應打開冷卻線上放空閥排氣,見水后關閉,防止氣阻影響冷卻效果。
(7)冷卻器停運掃線時,停冷卻水,同時打開冷卻水放空閥,避免憋壓損壞設備。
(8)調節油品冷后溫度時,應先冷卻水出口閥控制。因為采用入口閥控制水量,雖然可以節約冷水,但是會引起冷卻器內水流短路或流速減慢,造成上熱下涼,影響換熱效果。故不宜用入口控制。
【排除故障】
1、冷卻液不足:添加冷卻液
2、散熱器散熱片阻塞:尋找解決阻塞的原因,清洗散熱器
3、散熱器通風不暢:按安裝要求增大通風有效面積,確保通風暢通
4、冷卻液風扇運行不正常:檢查風扇皮帶緊張度,必要時更換皮帶
5、風扇損壞:檢修或更換
6、水泵損壞:檢修或更換
7、節溫器故障:更換
8、噴油泵故障:請授權人員檢修或更換
9、供油定時不正確:查看噴油泵數據并請授權人員檢修調整
10、環境(進氣)溫度過高:保持機房通風合理降低機房溫度
11、機組過載嚴重:控制負載,禁止機組長時間超載運行
12、冷卻液報警開關(傳感器)或儀表故障:檢查控制屏,儀表,機體傳感器,修理或更換,排除故障。












GL系列冷卻器

公司客服一